Sägeblatt/Motor der Brotschneidemaschine dreht sich plötzlich falsch herum (Messer, Polung)

Sägeblatt/Motor der Brotschneidemaschine dreht sich plötzlich falsch herum (Messer, Polung)

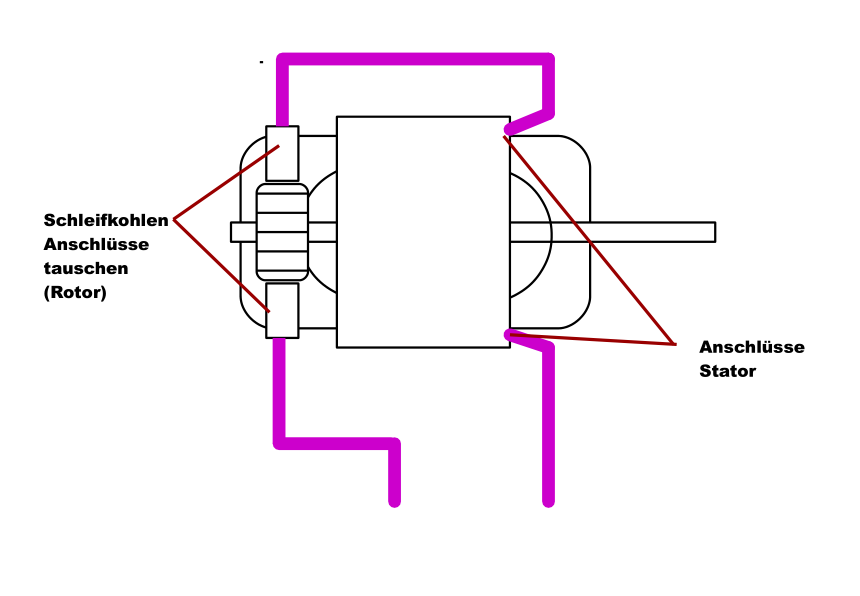
Ein Großteil der Elektromotoren, die mit ganz normalen 230 Volt-Wechselstrom aus der Steckdose betrieben werden, sind dabei sogenannte Kondensatormotoren. Wenn ein solcher Kondensatormotor streikt, dann trägt das namensgebende Bauteil nicht selten die Schuld daran.. weiß jemand wie man bei einem Motor mit Hallsensor die Drehrichtung “elektrisch” ändern kan? die Motorachse drehen will ich eigentlich nur ungern.


Sägeblatt/Motor der Brotschneidemaschine dreht sich plötzlich falsch herum (Messer, Polung)

Zylinderkopfdichtung falsch herum eingebaut???


ich möchte Werbung Waren drehzahlregelung 230v

ich möchte Werbung Waren drehzahlregelung 230v motor mit kondensator Modisch Falsch Treffen


Sägeblatt/Motor der Brotschneidemaschine dreht sich plötzlich

Sägeblatt/Motor der Brotschneidemaschine dreht sich plötzlich falsch herum (Messer, Polung)


Alte 230V Tischbohrmaschine. Motor läuft nur

Alte 230V Tischbohrmaschine. Motor läuft nur beim anstupsen an


Eliminator Blog Kondensatormotor Schaltplan Seilwinde 230v

Eliminator Blog Kondensatormotor Schaltplan Seilwinde 230v


Alte 230V Tischbohrmaschine. Motor läuft nur

Alte 230V Tischbohrmaschine. Motor läuft nur beim anstupsen an


Moteur électrique 400V adapté pour Stahlmann

Moteur électrique 400V adapté pour Stahlmann VLS8TT Fendeuse à bois Boutique en ligne


frame analogy admire raffstore anschlussplan To

frame analogy admire raffstore anschlussplan To increase bust Semblance


[Gelöst] Soleverteiler falsch herum eingebaut ?

[Gelöst] Soleverteiler falsch herum eingebaut ? Heizungstechnikforum auf energiesparhaus.at


Sand Inkompetenz Ihre thetford kühlschrank läuft

Sand Inkompetenz Ihre thetford kühlschrank läuft nicht auf 230v kann nicht sehen Autonomie Gewinner


Alte 230V Tischbohrmaschine. Motor läuft nur

Alte 230V Tischbohrmaschine. Motor läuft nur beim anstupsen an


Sägeblatt/Motor der Brotschneidemaschine dreht sich plötzlich

Sägeblatt/Motor der Brotschneidemaschine dreht sich plötzlich falsch herum (Messer, Polung)


Trafodrehzahlsteller 230v Schaltplan Careal

Trafodrehzahlsteller 230v Schaltplan Careal


400V Motor an 230V Netz anschließen,

400V Motor an 230V Netz anschließen, dreiecks steinmetzschaltung? (Elektronik, Elektrik, Drehstrom)


Unbekannter Elektromotor läuft. YouTube

Unbekannter Elektromotor läuft. YouTube


Drehstromzähler falsch herum angeklemmt

Drehstromzähler falsch herum angeklemmt


Alte 230V Tischbohrmaschine. Motor läuft nur

Alte 230V Tischbohrmaschine. Motor läuft nur beim anstupsen an


Elektromotor richtig anschließen ! Sternschaltung !

Elektromotor richtig anschließen ! Sternschaltung ! Tellerschleifer Motor YouTube


230V Motor mit Atmega8 ansteuern Controller

230V Motor mit Atmega8 ansteuern Controller spinnt!


Sägeblatt/Motor der Brotschneidemaschine dreht sich plötzlich

Sägeblatt/Motor der Brotschneidemaschine dreht sich plötzlich falsch herum (Messer, Polung)

Bei großen Drehstrommotoren besteht das Problem, dass der Motor falsch angeklemmt wurde, sich das Drehfeld geändert hat und der Motor nun falsch herum läuft. Warum besteht dieses Problem nicht bei handelsüblichen, mit 230V-Wechselstrom betriebenen Bohrmaschinen?. ich möchte gerne eine einphasigen 230V Elektromotor (Pool/ Teichpumpe) an einen Frequenzumrichter anschließen. Allerdings habe ich ein paar Probleme mit der Anschluss-Klemmen Belegung. Auf meinem 1PH Frequenzumrichter gibt es die Ausgänge (zum Motor) U (T1) V (T2) W (T3)

Related Posts